- Installation variateur
- Installation d'un climatiseur - Guide
- Installation cuisiniere - Guide
- Installation alarme - Guide
- Installation thermostat - Guide
- Remplacer interrupteur par variateur - Guide
2 réponses
Bonjour
Il faudrait la notice et la référence n'est pas lisible sur la photo
Essayez Rouge sur L de gauche et blanc sur croix de gauche
Si cela ne fonctionne pas essayez avec ceux de droite
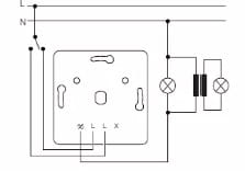
Bonjour, voici le schémas de branchement pour le Schneider Electric SBD600RL
Le branchement sans interrupteur (uniquement le variateur) correspond à ce qu'a écris Carminas > Rouge sur L de gauche et blanc sur croix de gauche
Pour le fonctionnement
- pour allumer ou éteindre appuyer sur le bouton
- pour la variation tourner le bouton.
Attention, c'est un ancien modèle qui à la base est prévu pour des ampoules classiques ou halogènes avec ou sans transformateur (pas pas prévu pour des ampoules led 230 volts) , de plus il faut un éclairage qui consomme au minimum 40 watts (maxi 600 watts) pour que le variateur puisse fonctionner correctement.
Fred.ml
 
    
    
        
    
    
        
    
 
            

