- Branchement pressostat sur LE1D093 télémécanique
- Branchement multimetre - Guide
- Branchement cuisinière électrique - Guide
- Branchement électrique couleur des fils - Guide
- Branchement telerupteur hager - Forum Electricité
- Branchement four et plaque sur 32a - Forum Electricité
4 réponses
Bonjour
Ce que je vois en image est un boîtier de mise en route.Si vous devez rajouter un pressostat il doit être intercalé sur l’alimentation de la bobine.
Quelle est la référence de ce contacteur pour voir sa schématisation.
Cordialement.
Bonsoir,
Le pressostat se branche sur la partie commande (bobine).
Votre image ne montre pas un branchement en tri , à moins que vous ne l'ayez pas terminé .
N’oubliez pas la tension bobine si vous êtes en tri 380 .
Bonjour Fifimerlu, de ce que je vois il s'agit un boitier de commande Marche / Arrêt avec un contact de maintient, pour pouvoir l'utiliser pour votre compresseur il va falloir modifier le branchement interne du boitier et le soucie c'est qu'il n'y aura pas de bouton Marche, le compresseur (cuve vide) se mettra en route des que le boitier sera alimenté.
> Le bouton Marche du boitier est un bouton poussoir dont le circuit électrique est maintenu fermé par l'un des contact du contacteur.
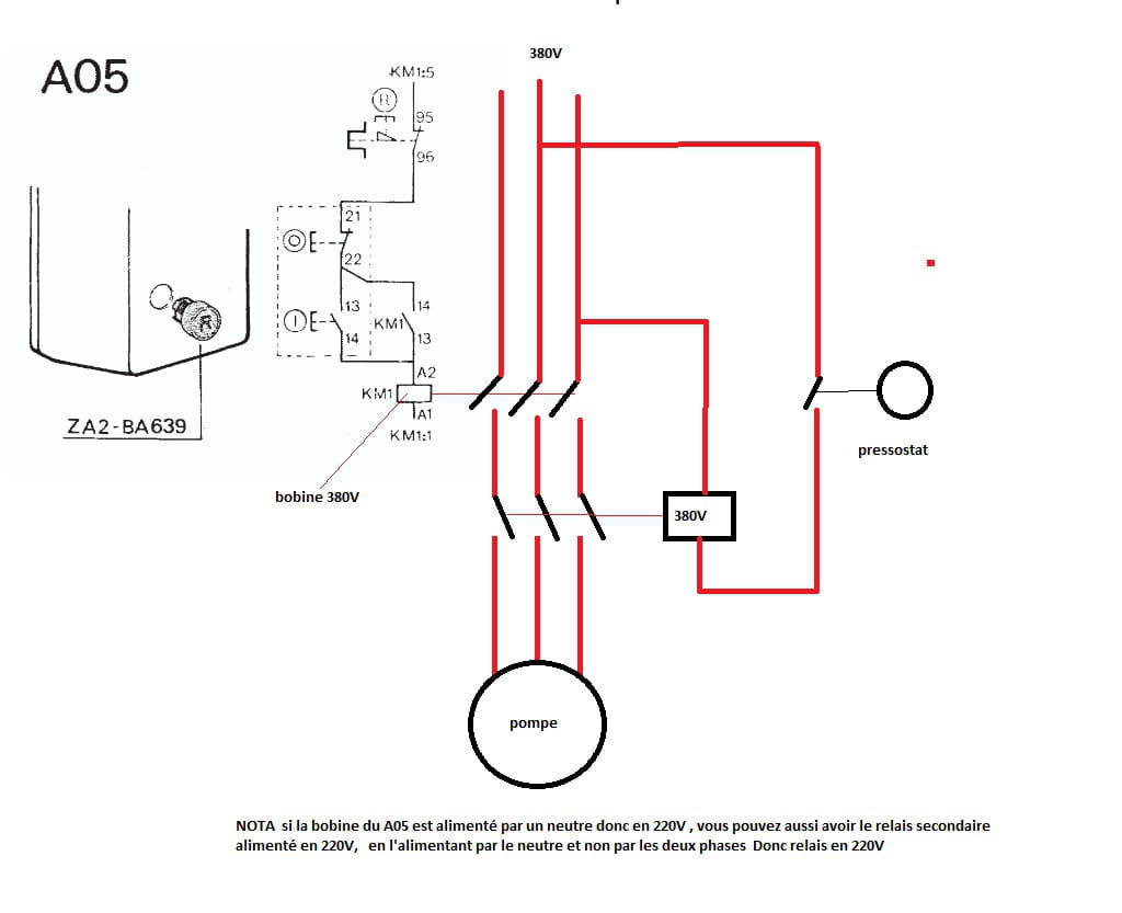
Bonjour
Désolé je n'avais pas lu la référence sur le titre.
De ce que j'ai en NOTICE il n'est pas possible de faire un branchement du pressostat sur ce contacteur car à la coupure du pressostat déclenchement du relais donc coupure totale du circuit
. il faudra mettre un relais en intermédiaire sur ce contacteur
Voir le schéma

