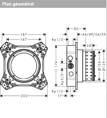
Lecture schéma iBox 2 universel d'Hansgrohe
Résolu
                    
        
     
             
                    awalter1
    
        
    
                    Messages postés
            
                
     
             
            44
        
            
                                    Statut
            Membre
                    
                -
                                     
awalter1 Messages postés 44 Statut Membre -
        awalter1 Messages postés 44 Statut Membre -
        A voir également:         
- Lecture schéma iBox 2 universel d'Hansgrohe
- Schéma va et vient 2 interrupteur - Guide
- Lecture multimetre - Guide
- Schema telerupteur hager - Forum Electricité
- Branchement luminaire 2 fils - Forum Electricité
- Schéma branchement 2 lampes 2 interrupteur - Forum Electricité
 
    
    
        
 
            